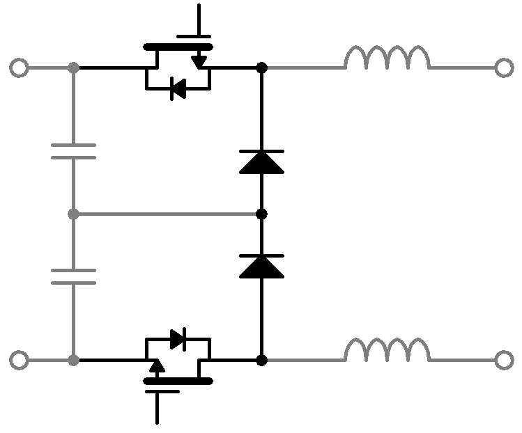
Three-Level Buck Converter

Equivalent Circuit
Device Selection
Open Part Marking Decoder
X
Select Part # Vrated [V] Irated [A] Package Series
to

UF3SC065007K4S 650 120.0 TO-247-4L UF3C/SC
UF3C065030K4S 650 85.0 TO-247-4L UF3C/SC
UF3C065030K3S 650 85.0 TO-247-3L UF3C/SC
UF3C065030T3S 650 85.0 TO-220-3L UF3C/SC
UF3C065030B3 650 65.0 D2PAK-3L UF3C/SC
UF3SC065030B7S 650 62.0 D2PAK-7L UF3C/SC
UJ3C065030K3S 650 85.0 TO-247-3L UJ3C
UJ3C065030T3S 650 85.0 TO-220-3L UJ3C
UJ3C065030B3 650 65.0 D2PAK-3L UJ3C
UF3C065040K4S 650 54.0 TO-247-4L UF3C/SC
UF3C065040K3S 650 54.0 TO-247-3L UF3C/SC
UF3C065040T3S 650 54.0 TO-220-3L UF3C/SC
UF3C065040B3 650 41.0 D2PAK-3L UF3C/SC
UF3SC065040B7S 650 43.0 D2PAK-7L UF3C/SC
UF3C065080K4S 650 31.0 TO-247-4L UF3C/SC
UF3C065080K3S 650 31.0 TO-247-3L UF3C/SC
UF3C065080T3S 650 31.0 TO-220-3L UF3C/SC
UF3C065080B3 650 25.0 D2PAK-3L UF3C/SC
UF3C065080B7S 650 27.0 D2PAK-7L UF3C/SC
UJ3C065080K3S 650 31.0 TO-247-3L UJ3C
UJ3C065080T3S 650 31.0 TO-220-3L UJ3C
UJ3C065080B3 650 25.0 D2PAK-3L UJ3C
UJ4SC075005L8S 750 120.0 TOLL UJ4C/SC
UJ4SC075006K4S 750 120.0 TO-247-4L UJ4C/SC
UJ4SC075008L8S 750 106.0 TOLL UJ4C/SC
UJ4SC075009K4S 750 106.0 TO-247-4L UJ4C/SC
UJ4SC075009B7S 750 106.0 D2PAK-7L UJ4C/SC
UJ4SC075010L8S 750 106.0 TOLL UJ4C/SC
UJ4SC075011K4S 750 104.0 TO-247-4L UJ4C/SC
UJ4SC075011B7S 750 104.0 D2PAK-7L UJ4C/SC
UJ4C075018K4S 750 81.0 TO-247-4L UJ4C/SC
UJ4C075018K3S 750 81.0 TO-247-3L UJ4C/SC
UJ4SC075018B7S 750 81.0 D2PAK-7L UJ4C/SC
UJ4SC075018L8S 750 53.0 TOLL UJ4C/SC
UJ4C075023K4S 750 66.0 TO-247-4L UJ4C/SC
UJ4C075023K3S 750 66.0 TO-247-3L UJ4C/SC
UJ4C075023B7S 750 66.0 D2PAK-7L UJ4C/SC
UJ4C075023L8S 750 64.0 TOLL UJ4C/SC
UJ4C075033K4S 750 47.0 TO-247-4L UJ4C/SC
UJ4C075033K3S 750 47.0 TO-247-3L UJ4C/SC
UJ4C075033B7S 750 47.0 D2PAK-7L UJ4C/SC
UJ4C075033L8S 750 44.0 TOLL UJ4C/SC
UJ4C075044K4S 750 37.4 TO-247-4L UJ4C/SC
UJ4C075044K3S 750 37.4 TO-247-3L UJ4C/SC
UJ4C075044B7S 750 37.4 D2PAK-7L UJ4C/SC
UJ4C075044L8S 750 35.6 TOLL UJ4C/SC
UJ4C075060K4S 750 28.0 TO-247-4L UJ4C/SC
UJ4C075060K3S 750 28.0 TO-247-3L UJ4C/SC
UJ4C075060B7S 750 28.0 D2PAK-7L UJ4C/SC
UJ4C075060L8S 750 27.8 TOLL UJ4C/SC
UF3SC120009K4S 1200 120.0 TO-247-4L UF3C/SC
UF3SC120016K4S 1200 107.0 TO-247-4L UF3C/SC
UF3SC120016K3S 1200 107.0 TO-247-3L UF3C/SC
UF3C120040K4S 1200 65.0 TO-247-4L UF3C/SC
UF3C120040K3S 1200 65.0 TO-247-3L UF3C/SC
UF3SC120040B7S 1200 47.0 D2PAK-7L UF3C/SC
UJ3C120040K3S 1200 65.0 TO-247-3L UJ3C
UJ3C120070K3S 1200 34.5 TO-247-3L UJ3C
UJ3C120070K4S 1200 34.5 TO-247-4L UJ3C
UF3C120080K4S 1200 33.0 TO-247-4L UF3C/SC
UF3C120080K3S 1200 33.0 TO-247-3L UF3C/SC
UF3C120080B7S 1200 28.8 D2PAK-7L UF3C/SC
UF3C120150K4S 1200 18.4 TO-247-4L UF3C/SC
UF3C120150B7S 1200 18.4 D2PAK-7L UF3C/SC
UJ3C120150K3S 1200 18.4 TO-247-3L UJ3C
UF3C120400K3S 1200 7.6 TO-247-3L UF3C/SC
UF3C120400B7S 1200 7.6 D2PAK-7L UF3C/SC
UF4SC120023K4S 1200 72.0 TO-247-4L UF4C/SC
UF4SC120023B7S 1200 72.0 D2PAK-7L UF4C/SC
UF4SC120030K4S 1200 72.0 TO-247-4L UF4C/SC
UF4SC120030B7S 1200 58.0 D2PAK-7L UF4C/SC
UF4C120053K4S 1200 72.0 TO-247-4L UF4C/SC
UF4C120053K3S 1200 72.0 TO-247-3L UF4C/SC
UF4C120053B7S 1200 72.0 D2PAK-7L UF4C/SC
UF4C120070K4S 1200 72.0 TO-247-4L UF4C/SC
UF4C120070K3S 1200 72.0 TO-247-3L UF4C/SC
UF4C120070B7S 1200 72.0 D2PAK-7L UF4C/SC
UF3C170400K3S 1700 7.6 TO-247-3L UF3C/SC
UF3C170400B7S 1700 7.6 D2PAK-7L UF3C/SC
Open Part Marking Decoder
X
Select Part # Vrated [V] Irated [A] Package Series
to

UJ3D06504TS 650 4.0 TO-220-2L UJ3D
UJ3D06506TS 650 6.0 TO-220-2L UJ3D
UJ3D06508TS 650 8.0 TO-220-2L UJ3D
UJ3D06510TS 650 10.0 TO-220-2L UJ3D
UJ3D06512TS 650 12.0 TO-220-2L UJ3D
UJ3D06516TS 650 16.0 TO-220-2L UJ3D
UJ3D06520KSD 650 10.0 TO-247-3L UJ3D
UJ3D06520TS 650 20.0 TO-220-2L UJ3D
UJ3D06530TS 650 30.0 TO-220-2L UJ3D
UJ3D06560KSD 650 30.0 TO-247-3L UJ3D
UJ3D1202TS 1200 2.0 TO-220-2L UJ3D
UJ3D1205TS 1200 5.0 TO-220-2L UJ3D
UJ3D1210K2 1200 10.0 TO-247-2L UJ3D
UJ3D1210KS 1200 10.0 TO-247-3L UJ3D
UJ3D1210KSD 1200 5.0 TO-247-3L UJ3D
UJ3D1210TS 1200 10.0 TO-220-2L UJ3D
UJ3D1220K2 1200 20.0 TO-247-2L UJ3D
UJ3D1220KSD 1200 10.0 TO-247-3L UJ3D
UJ3D1250K 1200 50.0 TO-247-3L UJ3D
UJ3D1250K2 1200 50.0 TO-247-2L UJ3D
UJ3D1725K2 1700 25.0 TO-247-2L UJ3D
Input Parameters
Total Losses and Efficiency
Losses and Temperatures
Losses per FET and Temperature
Losses per Diode and Temperature
Calculated Parameters